Nissan Juke Service and Repair Manual : Front door lock
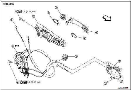
Exploded View

1. Door key cylinder assembly (driver
side)
Outside handle escutcheon (passenger
side)
2. Rear gasket
3. Outside handle bracket
4. TORX bolt
5. Key rod (driver side)
6. Door lock assembly
7. Inside handle
8. Outside handle
9. Front gasket
10. Cable clip
: Pawl
: Vehicle front
: Do not reuse
: N·m (kg-m, in-lb)
: Body grease
Door lock
DOOR LOCK : Removal and Installation
REMOVAL
1. Remove front door glass and front door lower sash (rear). Refer to GW-17, "Removal and Installation".
2. Remove inside handle. Refer to DLK-339, "INSIDE HANDLE : Removal and Installation".
3. Disengage inside handle cable and lock knob cable from cable clip.
4. Remove outside handle bracket. Refer to DLK-339, "OUTSIDE HANDLE : Removal and Installation".
5. Remove door lock assembly TORX bolts.
6. Disconnect door lock actuator connector, and then remove door lock assembly.
INSTALLATION
Note the following items, and install in the reverse order of removal.
CAUTION:
• Never reuse TORX bolt. Always replace it with a new one when it is removed.
• Check door open/close, lock/unlock operation after installation.
• Check door lock cable is properly engaged with outside handle bracket.
• Check door lock assembly for poor lubrication. Apply body grease to door lock if necessary.
: Grease up point

Inside handle
INSIDE HANDLE : Removal and Installation
REMOVAL
1. Remove front door finisher. Refer to INT-13, "Removal and Installation".
2. Remove inside handle mounting bolt (A).
3. Disengage inside handle (1) from door panel (2) while sliding inside handle toward vehicle rear, and then separate inside handle.
: Vehicle front

4. Disengage inside handle cable (3) and lock knob cable (2), and then remove inside handle (1).

INSTALLATION
Note the following item, and install in the reverse order of removal.
CAUTION:
Check door open/close, lock/unlock operation after inst
allation.
Outside handle
OUTSIDE HANDLE : Removal and In
REMOVAL
1. Fully close the front door glass.
2. Remove front door finisher. Refer to INT-13, "Removal and Installation".
3. Remove sealing screen.
NOTE
:
Cut the butyl-tape so that some parts of the butyl-tape do not remain on the
sealing screen, if the sealing
screen is reused.
4. Disengage lock holder (1), and then separate key rod (3) from door lock assembly (2).(Driver side)

5. Disconnect harness connector of door antenna (1) and door request switch (2) and remove harness clamp (3).
: Vehicle front

6. Remove grommet (1) of door side. Loosen, through grommet hole, TORX bolt (2) that fixes door lock cylinder. (For passenger side, TORX bolt fixes outside handle escutcheon.)

7. While pulling outside handle, remove door key cylinder assembly (diver side) or outside handle escutcheon (passenger side).

8. While pulling outside handle (1), slide toward rear of vehicle to remove outside handle.

9. Remove front gasket (1) and rear gasket (2).
: Vehicle front

10. Slide outside handle bracket toward rear of vehicle to remove.
: Vehicle front

11. Disconnect outside handle cable (1) from outside handle bracket (2).

INSTALLATION
Note the following items, and install in the reverse order of removal.
CAUTION:
• When installing key rod, rotate key rod holder until a click is felt.
• Check that door lock cables are normally engaged with inside handle and outside handle.
• After installation, check door open/close, and lock/unlock operation.
Hood lock
Exploded View
1. Hood lock control cable assembly
2. Hood lock assembly
: Clip
: N·m (kg-m, ft-lb)
: Body grease
Hood lock
HOOD LOCK : Removal and Installation
REMOVAL
1. Remove front cent ...
Rear door lock
Exploded View
1. Outside handle assembly
2. Rear door sealing screen
3. Door lock assembly
4. TORX bolt
5. Inside handle
: Clip
: Pawl
: Vehicle front
: Do not reuse
: N·m (kg-m, in-lb) ...
Other materials:
Front seat-mounted side-impact supplemental air bag and roof-mounted curtain
side-impact supplemental air bag systems
The side air bags are located in the outside of the seatback of the front seats.
The curtain air bags are located in the side roof rails. All of the information,
cautions and warnings in this manual still apply and must be followed.
The side air bags and curtain air bags are designed to infla ...
Primary speed sensor
Exploded View
1. Transaxle assembly
2. O-ring
3. Primary speed sensor
: Always replace after every
disassembly.
: N m (kg-m, in-lb)
: Genuine NISSAN CVT Fluid NS-2
Removal and Installation
REMOVAL
1. Remove the battery. Refer to PG-124, "Removal and Installation".
2. Remove ...
U0122 Vehicle dynamics control
module
Description
CAN (Controller Area Network) is a serial communication line for real time
application. It is an on-vehicle multiplex
communication line with high data communication speed and excellent error
detection ability. Many electronic
control units are equipped onto a vehicle, and each c ...
