Nissan Juke Service and Repair Manual : Wiring diagram
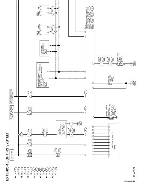
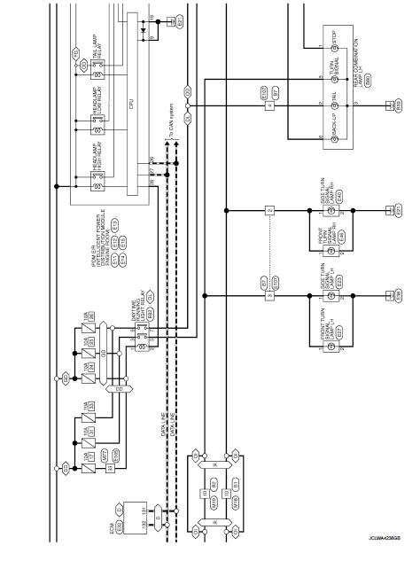
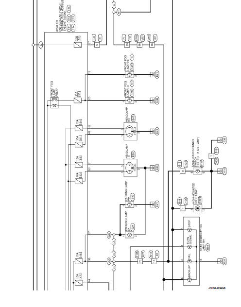
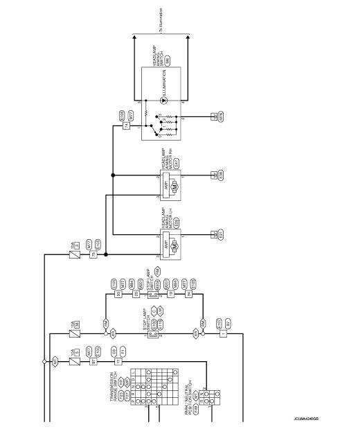
EXTERIOR LIGHTING SYSTEM
Wiring Diagram
For connector terminal arrangemants, harness layouts, and alphabets in a
(option abbreviation: if not
described in wiring diagram), refer to GI-12, "Connector Information/Explanation
of Option Abbreviation".




Ecu diagnosis informatioN
BCM, IPDM E/R
List of ECU Reference
WITH INTELLIGENT KEY
WITHOUT INTELLIGENT KEY
...
Basic inspection
DIAGNOSIS AND REPAIR WORKFLOW
Work Flow
OVERALL SEQUENCE
DETAILED FLOW
1.INTERVIEW FOR MALFUNCTION
Interview the symptom to the customer.
>> GO TO 2.
2.SYMPTOM CHECK
Check the sympto ...
Other materials:
Excessive operation frequency
Description
ABS function and EBD function operates in excessive operation frequency.
Diagnosis Procedure
1.CHECK BRAKING FORCE
Check brake force using a brake tester.
Is the inspection result normal?
YES >> GO TO 2.
NO >> Check brake system.
2.CHECK FRONT AND REAR AXLE
Che ...
LAN System can system (type 11)
DTC/CIRCUIT DIAGNOSIS
Main line between IPDM-E and DLC circuit
Diagnosis Procedure
1.CHECK CONNECTOR
1. Turn the ignition switch OFF.
2. Disconnect the battery cable from the negative terminal.
3. Check the following terminals and connectors for damage, bend and loose
connection (connector s ...
P1652 starter motor system COMM
Description
ECM controls ON/OFF state of the starter relay, according to the engine and
vehicle condition. Models with no
Intelligent Key System transmit a control signal directly to IPDM E/R. On the
other hand, models with the Intelligent
Key System transmit a control signal to IPDM E/R by w ...
