Nissan Juke Service and Repair Manual : RHD
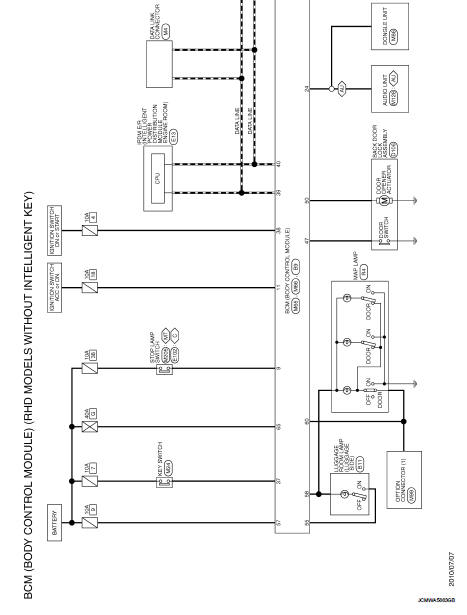
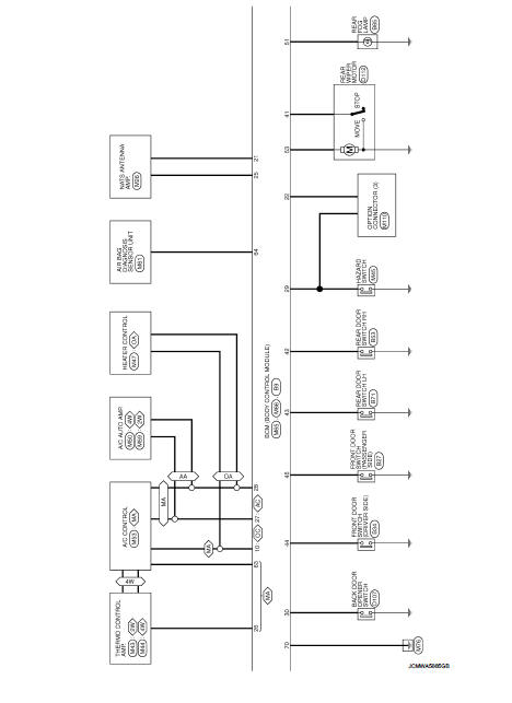
RHD : Wiring Diagram
For connector terminal arrangements, harness layouts, and alphabets in a
(option abbreviation; if not
described in wiring diagram), refer to GI-12, "Connector Information/Explanation
of Option Abbreviation".




BCM
LHD
LHD : Wiring Diagram
For connector terminal arrangements, harness layouts, and alphabets in a
(option abbreviation; if not
described in wiring diagram), refer to GI-12, "Connector Inform ...
Basic inspection
...
Other materials:
P0846 transmission fluid pressure SEN/SW B
DTC Logic
DTC DETECTION LOGIC
DTC CONFIRMATION PROCEDURE
CAUTION:
Be careful of the driving speed.
1.PREPARATION BEFORE WORK
If another "DTC CONFIRMATION PROCEDURE" occurs just before, turn ignition
switch OFF and wait for at
least 10 seconds, then perform the next test.
&g ...
Door lock operation warning does not operate
Diagnosis Procedure
1.CHECK DOOR LOCK FUNCTION
Check door lock function.
Does door lock/unlock using door request switch?
YES >> GO TO 2.
NO >> Refer to DLK-85, "Component Function Check".
2.CHECK INTELLIGENT KEY WARNING BUZZER
Check Intelligent Key warning buzzer. ...
B1026, B1027, B1028, B1029, B1030, B1031 diagnosis sensor unit
DTC Logic
DTC DETECTION LOGIC
DTC CONFIRMATION PROCEDURE
1.CHECK SELF-DIAG RESULT
With CONSULT-III
1. Turn ignition switch ON.
2. Perform “Self Diagnostic Result” mode of “AIR BAG” using CONSULT-III.
Without CONSULT-III
1. Turn ignition switch ON.
2. Check the air bag warning lamp statu ...
