Nissan Juke Service and Repair Manual : BCM
LHD
LHD : Wiring Diagram
For connector terminal arrangements, harness layouts, and alphabets in a
(option abbreviation; if not
described in wiring diagram), refer to GI-12, "Connector Information/Explanation
of Option Abbreviation".




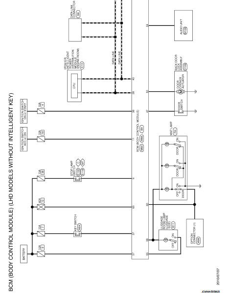
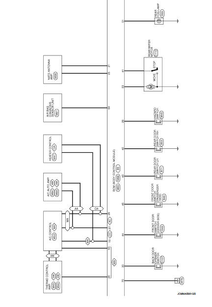
Wiring diagram
...
RHD
RHD : Wiring Diagram
For connector terminal arrangements, harness layouts, and alphabets in a
(option abbreviation; if not
described in wiring diagram), refer to GI-12, "Connector Information ...
Other materials:
Test Value and Test Limit
The following is the information specified in Service $06 of ISO 15031-5.
The test value is a parameter used to determine whether a system/circuit
diagnostic test is OK or NG while
being monitored by the ECM during self-diagnosis. The test limit is a reference
value which is specified as the ...
Can communication circuit
Diagnosis Procedure
1.CONNECTOR INSPECTION
1. Turn the ignition switch OFF.
2. Disconnect the battery cable from the negative terminal.
3. Disconnect all the unit connectors on CAN communication system.
4. Check terminals and connectors for damage, bend and loose connection.
Is the inspectio ...
Vehicle information
BODY EXTERIOR PAINT COLOR
Body Exterior Paint Color
FOR 2WD MODELS
NOTE:
• S: Solid
• 2S: Solid + Clear
• CS: Color clear solid
• M: Metallic
• P: 2-Coat pearl
• 3P: 3-Coat pearl
• FPM: Iron oxide pearl
• RPM: Multi flex color
• TM: Micro titanium metallic
• PM: Pearl metallic
FOR ...
