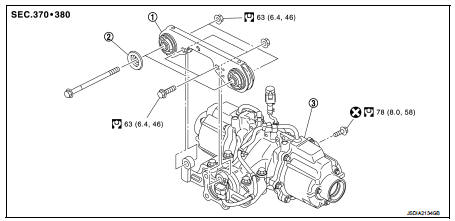
Nissan Juke Service and Repair Manual : Exploded View

1. Final drive mounting bracket
2. Washer
3. Rear final drive assembly
: Vehicle front
: N·m (kg-m, ft-lb)
: Never reuse parts
: Apply multi purpose grease
: Apply gear oil.
Unit removal and installation
REAR FINAL DRIVE ASSEMBLY ...
Removal and Installation
REMOVAL
1. Remove rear propeller shaft assembly. Refer to DLN-121, "Removal and
Installation".
2. Remove rear drive shaft. Refer to RAX-17, "Removal and Installation".
3. Disc ...
Other materials:
Bluetooth® Hands-Free Phone System
WARNING
• Use a phone after stopping your vehicle in a safe location. If you have
to use a phone while driving, exercise extreme caution at all times so full attention
may be given to vehicle operation.
• If you find yourself unable to devote full attention to vehicle operation while
talking ...
P0171 fuel injection system function
DTC Logic
DTC DETECTION LOGIC
With the Air/Fuel Mixture Ratio Self-Learning Control, the actual mixture
ratio can be brought closely to the
theoretical mixture ratio based on the mixture ratio feedback signal from the
A/F sensor 1. The ECM calculates
the necessary compensation to correct the ...
B2627 outside antenna
DTC Logic
DTC DETECTION LOGIC
DTC CONFIRMATION PROCEDURE
1.PERFORM DTC CONFIRMATION PROCEDURE
1. Disconnect outside key antenna (passenger side) connector.
2. Perform “INTELLIGENT KEY” Self Diagnostic Result.
Is outside key antenna DTC detected?
YES >> Refer to DLK-238, "Diagno ...
