Nissan Juke Service and Repair Manual : Blower fan resistor
Exploded View

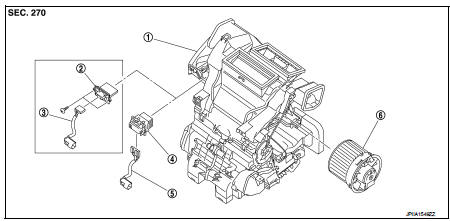
1. A/C unit assembly
2. Blower fan resistor*1
3. Sub harness*1
4. Power transistor*2
5. Sub harness*2
6. Blower motor
• *1: Manual air conditioner • *2: Automatic air conditioner
Removal and Installation
REMOVAL
1. Remove instrument panel assembly. Refer to IP-13, "Removal and
Installation". (LHD models)
2. Remove glove box assembly. Refer to IP-13, "Removal and Installation". (RHD
models)
3. Disconnect blower fan resistor harness connector.
4. Remove fixing screws, and then remove blower fan resistor from A/C unit assembly.
INSTALLATION
Install in the reverse order of removal.
Refrigerant pressure sensor
Exploded View
Refer to HA-94, "Exploded View".
Removal and Installation
REMOVAL
Refer to HA-96, "REFRIGERANT PRESSURE SENSOR : Removal and Installation".
INSTALLATION
Insta ...
Door cable
Exploded View
LEFT SIDE
1. A/C unit assembly
2. Intake door lever
3. Intake door link
4. Intake door cable
5. Air mix door cable
6. Upper air mix door rod
7. Upper air mix door lever
8 ...
Other materials:
How to use touch screen
CAUTION
• The glass screen on the liquid crystal display may break if it is hit with
a hard or sharp object. If the glass screen breaks, do not touch it.
Doing so could result in an injury.
• To clean the display, never use a rough cloth, alcohol, benzine, thinner or any
kind of solvent or pa ...
Refrigerant pressure sensor
Component Function Check
1.CHECK REFRIGERANT PRESSURE SENSOR OVERALL FUNCTION
1. Start engine and warm it up to normal operating temperature.
2. Turn A/C switch and blower fan switch ON.
3. Check the voltage between ECM harness connector and ground.]
Is the inspection result normal?
YES > ...
Audio operation precautions
Radio
Place the ignition switch in the ACC or ON position and push the PWR (power/VOL
(volume)) control to turn on the radio. If you listen to the radio with the engine
not running, the ignition switch should be placed in the ACC position.
Radio reception is affected by station signal strength ...
