Nissan Juke Service and Repair Manual : MR16DDT : Exploded View
REMOVAL

1. “S” terminal harness
2. “B” terminal harness
3. Starter motor
4. Cylinder block
: Vehicle front
: N·m (kg-m, in-lb)
: N·m (kg-m, ft-lb)
DISASSEMBLY
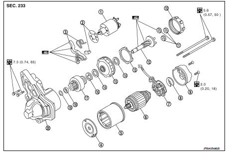
Type: S114-902

1. Magnetic switch assembly
2. Dust cover kit
3. Shift lever set
4. Center bracket (A)
5. Yoke assembly
6. Armature assembly
7. Brush holder assembly
8. Thrust washer
9. Rear cover assembly
10. Internal gear
11. Planetary gear
12. Pinion shaft
13. Packing
14. Thrust washer
15. Center bracket (P)
16. E-ring
17. Pinion assembly
18. Pinion stopper
19. Pinion stopper clip
20. Gear case assembly
: N·m (kg-m, in-lb)
: High-temperature grease point
Type: S114-955

1. Magnetic switch assembly
2. Dust cover kit
3. Shift lever set
4. Center bracket (A)
5. Yoke assembly
6. Armature assembly
7. Brush holder assembly
8. Thrust washer
9. Rear cover assembly
10. Internal gear
11. Planetary gear
12. Pinion shaft
13. Packing
14. Thrust washer
15. Center bracket (P)
16. E-ring
17. Pinion assembly
18. Pinion stopper
19. Pinion stopper clip
20. Gear case assembly
: N·m (kg-m, in-lb)
: High-temperature grease point
NOTE
:
Apply high-temperature grease to lubricate the bearing, gears and frictional
surface when assembling the
starter.
HR16DE : Inspection and Adjust
INSPECTION
Magnetic Switch Check
• Before starting to check, disconnect the battery cable from the negative
terminal.
• Disconnect “M” terminal of starter motor.
1. Continuity test [between “S ...
MR16DDT : Removal and Installation
REMOVAL
1. Disconnect the battery cable from the negative terminal. Refer to PG-124,
"Removal and Installation".
2. Drain engine coolant from radiator. Refer to CO-11, "Draining&quo ...
Other materials:
For side and rollover collision : When SRS is activated in a collision
CAUTION:
Due to varying models and option levels, not all parts listed in the chart below
apply to all vehicles.
WORK PROCEDURE
1. Before performing any of the following steps, ensure that all vehicle body
and structural repairs have been
completed.
2. Replace the following components:
• ...
Oil pressure switch signal circuit
Component Function Check
1.CHECK COMBINATION METER INPUT SIGNAL
Select the “Data Monitor” for the “METER/M&A” and check the “OIL W/L” monitor
value.
“OIL W/L”
Ignition switch ON : On
Engine running : Off
>> INSPECTION END
Diagnosis Procedure
1.CHECK OIL PRESSURE SWITCH CIRCUIT
1 ...
A/C on signal
Component Function Check
1.CHECK A/C ON SIGNAL
With CONSULT-III
1. Turn ignition switch ON.
2. Operate blower motor.
3. Select “AIR CONDITIONER” of “BCM” using CONSULT-III.
4. Select “AIR COND SW” in “DATA MONITOR” mode.
5. Check A/C ON signal when the A/C switch is operated.
Is the inspec ...
