Nissan Juke Service and Repair Manual : EGR valve
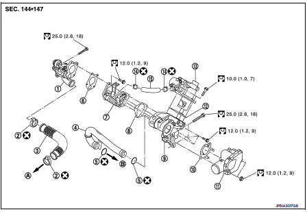
Exploded View

1. EGR valve assembly
2. Clamp
3. EGR tube
4. Air inlet tube
5. O-ring
6. Gasket
7. EGR cooler
8. Gasket
9. EGR volume control valve housing
10. Gasket
11. Electric throttle control actuator
12. Gasket
13. EGR volume control valve
14. Clamp
15. Cooling hose
A. To exhaust manifold B. To intake manifold
: N·m (kg-m, ft-lb)
: Always replace after every
disassembly.
Removal and Installation
REMOVAL
1. Drain engine coolant. Refer to CO-62, "Draining".
2. Remove air cleaner case. Refer to EM-280, "Exploded View".
3. Remove cowl top extension. Refer to EXT-20, "Exploded View".
4. Remove turbocharger air inlet pipe. Refer to EM-280, "Exploded View".
5. Remove air inlet tube assembly and air inlet tube. Refer to EM-281, "Exploded View".
6. Remove electric throttle control actuator.
7. Disconnect EGR solenoid valve connector.
8. Remove cooling hose.
9. Remove EGR volume control valve housing mounting bolts.
10. Remove EGR assembly.
INSTALLATION
• Install in the reverse order of removal.
Charge air cooler
Exploded View
1. Air inlet hose
2. Clamp
3. Air inlet tube
4. Air inlet hose
5. Charge air cooler
6. Air inlet hose
7. Air inlet tube
8. Turbocharger
9. Air inlet tube assembly
A. 1 ...
Turbocharger
Exploded View
1. Exhaust manifold
2. Turbocharger
3. Gasket
4. Turbocharger outlet duct
5. Oil outlet hose
6. Clamp
7. Oil return pipe
8. Gasket
9. Washer
10. Oil supply tube
11. O ...
Other materials:
Precaution Necessary for Steering Wheel Rotation after Battery Disconnect
NOTE:
• Before removing and installing any control units, first turn the ignition
switch to the LOCK position, then disconnect
both battery cables.
• After finishing work, confirm that all control unit connectors are connected
properly, then re-connect both
battery cables.
• Always use CONS ...
Bluetooth® Hands-Free Phone System
WARNING
• Use a phone after stopping your vehicle in a safe location. If you have
to use a phone while driving, exercise extreme caution at all times so full attention
may be given to vehicle operation.
• If you find yourself unable to devote full attention to vehicle operation while
talking ...
Clutch pedal
LHD : Exploded View
1. Clutch pedal
2. Stopper rubber
3. Clip
4. Clutch interlock switch *1
5. Clutch pedal position switch *2
6. Pedal pad
7. Pedal stopper rubber
*1 : With push-button ignition switch system
*2 : With ASCD or with push-button ignition switch system
: N·m (kg-m, ft-l ...
