Nissan Juke Service and Repair Manual : Door motor
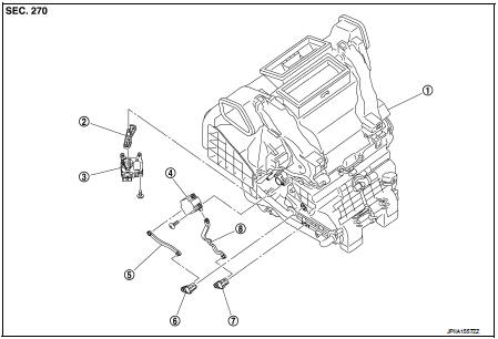
Exploded View
LEFT SIDE

1. A/C unit assembly
2. Intake door lever
3. Intake door motor
4. Air mix door motor
5. Upper air mix door rod
6. Upper air mix door lever
7. Lower air mix door lever
8. Lower air mix door rod
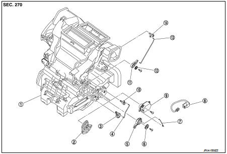
RIGHT SIDE

1. A/C unit assembly
2. Main link
3. Sub defroster door link
4. Sub defroster door rod
5. Mode link
6. Plate
7. Mode link rod
8. Sub harness
9. Mode door motor
10. Sub defroster door lever
11. Center ventilator and defroster door link
12. Plate
13. Center ventilator and defroster door rod
14. Center ventilator and defroster door lever
Intake door motor : Removal and Installation
REMOVAL
1. Remove instrument lower panel LH. Refer to IP-13, "Removal and
Installation". (LHD models)
2. Remove glove box assembly. Refer to IP-13, "Removal and Installation". (RHD
models)
3. Remove fixing screws (A), and then remove intake door motor
(1) from A/C unit assembly.
4. Disconnect intake door motor connector (2).

INSTALLATION
Install in the reverse order of removal.
Mode door motor : Removal and Installation
REMOVAL
1. Remove glove box assembly Refer to IP-13, "Removal and Installation". (LHD
models)
2. Remove instrument lower panel RH. Refer to IP-13, "Removal and Installation".
(RHD models)
3. Remove foot duct RH. Refer to VTL-14, "FOOT DUCT : Removal and
Installation".
4. Disconnect mode link rod from mode door motor.
5. Remove fixing screws (A), and then remove mode door motor (1).
6. Disconnect mode door motor connector (2).

INSTALLATION
Install in the reverse order of removal.
Air mix door motor : Removal and Installa
REMOVAL
1. Remove instrument lower panel LH. Refer to IP-13, "Removal and
Installation". (LHD models)
2. Remove glove box assembly. Refer to IP-13, "Removal and Installation". (RHD
models)
3. Remove fixing screws (A), and then remove air mix door motor
(1) from A/C unit assembly.
4. Disconnect air mix door motor connector (2).

INSTALLATION Install in the reverse order of removal.
Power transistor
Exploded View
1. A/C unit assembly
2. Blower fan resistor*1
3. Sub harness*1
4. Power transistor*2
5. Sub harness*2
6. Blower motor
• *1: Manual air conditioner
• *2: Automatic air condi ...
Other materials:
Removal and installation
REAR WHEEL HUB
Exploded View
1. Rear suspension beam
2. Rear brake assembly
3. Hub bolt
4. Wheel hub assembly (Bearing-integrated
type)
5. Disc rotor
6. Plug
: Always replace after every
disassembly.
: N·m (kg-m, ft-lb)
Removal and Installation
REMOVAL
1. Remove tires. Refer to W ...
High pressure fuel pump and fuel hose
Exploded View
CAUTION:
Never remove or disassemble parts unless instructed as shown in the figure.
1. High pressure fuel pump insulator
2. High pressure fuel pump
3. O-ring
4. Valve lifter
5. Fuel tube assembly
6. Bracket
7. Fuel pump connector protector
8. Fuel feed hose
A. To ce ...
Refrigerant pressure sensor
Component Function Check
1.CHECK REFRIGERANT PRESSURE SENSOR OVERALL FUNCTION
1. Start engine and warm it up to normal operating temperature.
2. Turn A/C switch and blower fan switch ON.
3. Check the voltage between ECM harness connector and ground.
Is the inspection result normal?
YES >& ...

