Nissan Juke Service and Repair Manual : Blower motor
Exploded View
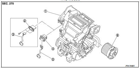
2WD models

1. A/C unit assembly
2. Fan control amp.*1
3. Blower fan resistor*2
4. Blower motor
5. Blower motor cover
• *1: Automatic air conditioner • *2: Manual air conditioner or Manual heater
4WD models

1. A/C unit assembly
2. Blower fan resistor*1
3. Sub harness*1
4. Power transistor*2
5. Sub harness*2
6. Blower motor
• *1: Manual air conditioner • *2: Automatic air conditioner
Removal and Installation (LHD models)
WARNING:
• Before servicing, turn ignition switch OFF, disconnect battery negative
terminal and wait 3 minutes
or more.
• Always work from the side of air bag module. Never work in front of it.
• Never use the air tools or the electric tools for servicing.
REMOVAL
1. Remove glove box assembly. Refer to IP-13, "Removal and Installation".
2. Disconnect blower motor harness connector (1) and front passenger air bag module harness connector (2).

3. Remove fixing screws, and then remove blower motor cover. (2WD models
only)
4. Remove front passenger air bag module. Refer to SR-19, "Removal and
Installation".
5. Press flange holding hook (A), and then turn blower motor (1) clockwise.

6. Pull outside, and then remove blower motor.
INSTALLATION
Note the following items, and then install in the reverse order of removal.
CAUTION:
• Never use the old mounting bolts after removal, replace with the new bolts.
• Never damage the harness while installing.
• If malfunction is detected by the air bag warning lamp, after repair or replacement of the malfunctioningparts, reset the memory using self-diagnosis or CONSULT-III. Refer to SRC-12, "On Board Diagnosis Function" or SRC-16, "CONSULT-III Function".
• After the work is completed, check that no system malfunction is detected by air bag warning lamp.
Removal and Installation (RHD models)
REMOVAL
1. Remove instrument lower panel. Refer to IP-13, "Removal and Installation".
2. Remove steering column upper cover and steering column lower cover. Refer to IP-13, "Removal and Installation".
3. Remove mounting nuts and harness connector from steering column assembly. Refer to ST-10, "Removal and Installation".
4. Move steering column assembly aside.
5. Disconnect blower motor connector.
6. Press flange holding hook (A), and then turn blower motor (1) clockwise.

7. Pull outside, and then remove blower motor.
INSTALLATION
Install in the reverse order of removal.
Duct and grille
Exploded View
FRONT
LHD models
1. A/C unit assembly
2. Side ventilator duct LH
3. Foot duct LH
4. Side defroster nozzle LH
5. Side ventilator grille LH
6. Side defroster grille LH
7. In ...
Air conditioner filter
Exploded View
LHD models
1. A/C unit assembly
2. Air conditioner filter
3. Filter cover
Removal and Installation (LHD models)
REMOVAL
1. Remove glove box assembly. Refer to IP-13, "Rem ...
Other materials:
Fluid cooler system
Exploded View
1. Copper washer
2. CVT fluid cooler tube
3. Hose clamp
4. Fluid cooler hose A
5. Fluid cooler tube
6. Fluid cooler hose B
7. Fluid cooler hose C
8. Transaxle assembly
9. Fluid cooler hose D
10. Fluid cooler hose E
11. Fluid cooler hose F
12. Bypass valve
13. Flu ...
Precaution Necessary for Steering Wheel Rotation after Battery Disconnect
NOTE:
• Before removing and installing any control units, first turn the ignition
switch to the LOCK position, then disconnect
both battery cables.
• After finishing work, confirm that all control unit connectors are connected
properly, then re-connect both
battery cables.
• Always use CONS ...
Electrical load signal
Description
The electrical load signal (Headlamp switch signal, rear window defogger
switch signal, etc.) is transferred to
ECM through the CAN communication line.
Component Function Check
1.CHECK REAR WINDOW DEFOGGER SWITCH FUNCTION
1. Turn ignition switch ON.
2. Select “DATA MONITOR” mode ...
