Nissan Juke Service and Repair Manual : A/C control
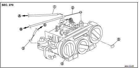
Exploded View

1. Intake door cable
2. Air mix door cable
3. Mode door cable
4. A/C control
5. Intake door lever knob
A. To intake door link B. To air mix door link C. To mode door link
Removal and Installation
REMOVAL
1. Remove A/C finisher. Refer to IP-13, "Removal and Installation".
2. Remove A/C control fixing screws (A) and fixing pawls, and then remove A/C control.
: Pawl

3. Disconnect door cable and harness connector from A/C control.
INSTALLATION
Install in the reverse order of removal.
Thermo control amplifier
Removal and Installation
REMOVAL
1. Remove evaporator.
• Refer to HA-55, "EVAPORATOR : Removal and Installation". (HR16DE)
• Refer to HA-115, "EVAPORATOR : Removal and Installatio ...
Other materials:
Back door opener actuator
Diagnosis Procedure
1.CHECK BACK DOOR OPENER ACTUATOR INPUT SIGNAL
1. Turn ignition switch OFF.
2. Disconnect back door opener assembly connector.
3. Check voltage between back door opener assembly harness connector and ground.
Is the inspection result normal?
YES >> GO TO 3.
NO > ...
B1137 side air bag module LH
DTC Logic
DTC DETECTION LOGIC
DTC CONFIRMATION PROCEDURE
1.CHECK SELF-DIAG RESULT
With CONSULT-III
1. Turn ignition switch ON.
2. Perform “Self Diagnostic Result” mode of “AIR BAG” using CONSULT-III.
Without CONSULT-III
1. Turn ignition switch ON.
2. Check the air bag warning lamp statu ...
Precaution for Supplemental Restraint System (SRS) "AIR BAG" and "SEAT BELT
PRE-TENSIONER"
The Supplemental Restraint System such as “AIR BAG” and “SEAT BELT PRE-TENSIONER”,
used along
with a front seat belt, helps to reduce the risk or severity of injury to the
driver and front passenger for certain
types of collision. Information necessary to service the system safely is
include ...

