Nissan Juke Service and Repair Manual : Vacuum lines
MR16DDT : Exploded View

1. Clamp
2. Vacuum hose A
3. Vacuum piping
4. Vacuum hose B
A. To engine side
B. Paint mark C. To brake booster
MR16DDT : Removal and Installation
REMOVAL
1. Remove air duct and air cleaner case. Refer to EM-161, "Removal and Installation".
2. Remove the vacuum hose and vacuum piping.
3. Perform inspection after removal. Refer to BR-49, "MR16DDT : Inspection".
INSTALLATION
Note the following, install the vacuum hose.
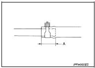
• When installing vacuum hose, insert it until its tip reaches the back-end of length (A) or further as shown in the figure.
CAUTION:
Never use lubricating oil during assembly.
A : 24 mm (0.95 in) or mor
- Face the paint mark of vacuum hose A (engine side) upward to assemble.
- Face the other paint marks to vehicle front side to assemble.
- For clamp mounting direction (the orientation of pawl), refer to BR- 49, "MR16DDT : Exploded View".

MR16DDT : Inspection
INSPECTION AFTER REMOVAL
Appearance
Check for correct assembly, damage and deterioration.
Check Valve Airtightness • Use a handy vacuum pump (A) to check.
When connected to the booster side (B): Vacuum should decrease within 1.3 kPa (9.8 mmHg, 0.38 inHg, 0.013 bar) for 15 seconds under a vacuum of −66.7 kPa (−500 mmHg, −19.70 inHg, −0.667 bar).
When connected to the engine side (C): Vacuum should not exist.
• Replace vacuum hose if vacuum hose is malfunctioning.

HR16DE : Exploded View

1. Clamp
2. Vacuum hose (built-in check valve)
3. Vacuum piping
4. Vacuum hose
A. To intake manifold
B. Paint mark
C. Stamp indicating engine direction
D. To brake booster
HR16DE : Removal and Installation
REMOVAL
1. Remove air duct and air cleaner case. Refer to EM-161, "Removal and Installation".
2. Remove the vacuum hose and vacuum piping.
3. Perform inspection after removal. Refer to BR-51, "HR16DE : Inspection".
INSTALLATION
Note the following, install the vacuum hose
• When installing vacuum hose, insert it until its tip reaches the back-end of length (A) or further as shown in the figure.
CAUTION:
Never use lubricating oil during assembly.
A : 24 mm (0.95 in) or more

- Face the paint mark of vacuum hose (built-in check valve, intake manifold side) upward to assemble.
- Face the other paint marks to vehicle front side to assemble.
- For clamp mounting direction (the orientation of pawl), refer to BR- 50, "HR16DE : Exploded View".
HR16DE : Inspection
INSPECTION AFTER REMOVAL
Appearance
Check for correct assembly, damage and deterioration.
Check Valve Airtightness • Use a handy vacuum pump (A) to check.
When connected to the booster side (B): Vacuum should decrease within 1.3 kPa (9.8 mmHg, 0.38 inHg, 0.013 bar) for 15 seconds under a vacuum of −66.7 kPa (−500 mmHg, −19.70 inHg, −0.667 bar).
When connected to the engine side (C): Vacuum should not exist.
• Replace vacuum hose assembly if vacuum hose and check valve are malfunctioning.

K9K : Exploded View

1. Connector
2. Clamp
3. Vacuum hose (built-in check valve)
A. To vacuum pump
B. Paint mark
C. Stamp indicating engine direction
D. To brake booster
K9K : Removal and Installation
REMOVAL
1. Remove air duct and air cleaner case. Refer to EM-161, "Removal and Installation".
2. Remove the vacuum hose and connector.
3. Perform inspection after removal. Refer to BR-52, "K9K : Inspection".
INSTALLATION
Note the following, install the vacuum hose.
• When installing vacuum hose, insert it until its tip reaches the back-end of length (A) or further as shown in the figure.
CAUTION:
Never use lubricating oil during assembly.
A : 24 mm (0.95 in) or more
- Face the paint mark of vacuum hose (built-in check valve, connector side) to the vehicle left side to assemble.
- Face the paint mark of vacuum hose (built-in check valve, brake booster side) to the front side to assemble.
- For clamp mounting direction (the orientation of pawl), refer to BR- 51, "K9K : Exploded View".

K9K : Inspection
INSPECTION AFTER REMOVAL
Appearance
Check for correct assembly, damage and deterioration.
Check Valve Airtightness • Use a handy vacuum pump (A) to check.
When connected to the booster side (B): Vacuum should decrease within 1.3 kPa (9.8 mmHg, 0.38 inHg, 0.013 bar) for 15 seconds under a vacuum of −66.7 kPa (−500 mmHg, −19.70 inHg, −0.667 bar).
When connected to the engine side (C): Vacuum should not exist.
• Replace vacuum hose assembly if vacuum hose and check valve are malfunctioning.

Brake booster
Exploded View
2WD
1. Master cylinder assembly
2. Vacuum pipe
3. Brake booster
4. Lock nut
5. Clevis
6. Gasket
7. Spacer
: N·m (kg-m, ft-lb)
4WD
1. Master cylinder assembly
2. Brak ...
Front disc brake
Brake pad : Exploded View
MR16DDT
1. Cylinder body
2. Inner shim
3. Inner pad (with pad wear sensor)
4. Pad retainer
5. Torque member
6. Outer pad
7. Outer shim
1: Apply MOLYKOTE® AS880 ...
Other materials:
P0139 HO2S2
DTC Logic
DTC DETECTION LOGIC
The heated oxygen sensor 2 has a much longer switching time
between rich and lean than the air fuel ratio (A/F) sensor 1. The oxygen
storage capacity of the three way catalyst 1 causes the longer
switching time. To judge the malfunctions of heated oxygen sensor
2, ...
Precaution for Supplemental Restraint System (SRS) "AIR BAG" and "SEAT BELT
PRE-TENSIONER"
The Supplemental Restraint System such as “AIR BAG” and “SEAT BELT PRE-TENSIONER”,
used along
with a front seat belt, helps to reduce the risk or severity of injury to the
driver and front passenger for certain
types of collision. Information necessary to service the system safely is
include ...
Precaution for Supplemental Restraint System (SRS) "AIR BAG" and "SEAT BELT
PRE-TENSIONER"
The Supplemental Restraint System such as “AIR BAG” and “SEAT BELT PRE-TENSIONER”,
used along
with a front seat belt, helps to reduce the risk or severity of injury to the
driver and front passenger for certain
types of collision. Information necessary to service the system safely is
include ...
