Nissan Juke Service and Repair Manual : Unit removal and installation
Transaxle assembly
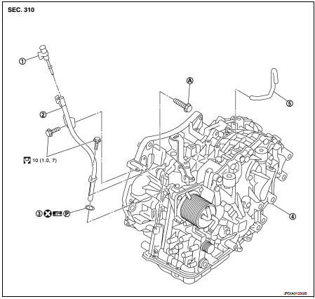
Exploded View

1. CVT fluid level gauge
2. CVT fluid charging pipe
3. O-ring
4. Transaxle assembly
5. Air breather hose
A. For tightening torque, refer to TM-301, "Removal and Installation".
Removal and Intallation
REMOVAL
WARNING:
Never remove the reservoir tank cap when the engine is hot. Serious burns could
occur from highpressure
engine coolant escaping from the reservoir tank.
CAUTION:
• Perform this step engine is cold.
• When replacing TCM and transaxle assembly as a set, replace transaxle assembly first and then replace TCM. Refer to TM-180, "Description".
NOTE:
Cap or cover any transaxle openings to prevent transaxle fluid from spiling.
1. Disconnect the battery cable from the negative terminal.
2. Remove air breather hose. Refer to TM-281, "Removal and Installation".
3. Remove air duct (inlet). Refer to EM-26, "Removal and Installation".
4. Remove battery. Refer to PG-124, "Removal and Installation".
5. Disconnect connectors (A) and then remove bracket (1).
6. Remove air cleaner case. Refer to EM-26, "Removal and Installation".
7. Drain engine coolant. Refer to CO-11, "Draining".
8. Remove CVT fluid level gauge.
9. Remove CVT fluid charging pipe from transaxle assembly.
10. Remove O-ring from CVT fluid charging pipe.

11. Disconnect fluid cooler hose from transaxle assembly. Refer to TM-298, "Removal and Installation".
12. Disconnect following harness connector and wire harness.
• CVT unit harness connector (A).
• Primary speed sensor harness connector (B).
• Secondary speed sensor harness connector (C).
• Transmission range switch connector (D).
13. Remove harness and clip from the transaxle assembly.
14. Remove water hose. Refer to TM-295, "Removal and Installation".
15. Remove control cable from transaxle assembly. Refer to TM- 273, "Removal and Installation".
16. Remove starter motor. Refer to STR-29, "MR16DDT : Removal and Installation".
17. Remove engine under cover with power tool.

18. Turn crankshaft, and remove the four tightening nuts (
) for
drive plate and torque converter.
CAUTION:
When turning crankshaft, turn it clockwise as viewed from
the front of the engine.
19. Remove exhaust front tube. Refer to EX-6, "Removal and Installation".
20. Separate the propeller shaft. Refer to DLN-121, "Removal and Installation".
21. Remove front drive shafts. Refer to FAX-21, "Exploded View".
22. Remove front suspension member from vehicle. Refer to FSU- 18, "Removal and Installation".
23. Remove transfer assembly from transaxle assembly with power tool. Refer to DLN-93, "Removal and Installation".

24. Support transaxle assembly with a transmission jack.
CAUTION:
When setting the transmission jack, be careful not to collide against the drain
plug.
25. Support engine assembly with a transmission jack.
CAUTION:
When setting the transmission jack, be careful not to collide against the drain
plug.
26. Remove engine mounting insulator (LH). Refer to EM-59, "4WD : Removal and Installation".
27. Remove bolts fixing transaxle assembly to engine assembly.
28. Remove transaxle assembly from vehicle.
CAUTION:
• Secure torque converter to prevent it from dropping.
• Secure transaxle assembly to a transmission jack.
29. Remove heater thermostat. Refer to TM-295, "Removal and Installation".
INSTALLATION
Note following, and install in the reverse order of removal.
CAUTION:
• Check fitting of dowel pin (
)
when installing transaxle
assembly to engine assembly.

• When installing transaxle assembly to the engine assembly, attach the fixing bolts in accordance with the following.


• Set and screw in the drive plate location guide (commercial service tool: 31197CA000) (A) onto the stud bolts for the torque converter locate.

• When not using drive plate location guide, rotate torque converter so that the stud bolt (A) for mounting the drive plate location guide of torque converter aligns with the mounting position of starter motor.

• Rotate crankshaft so that the hole (A) for inserting drive plate location guide of drive plate aligns with the mounting position (B) of starter motor.
NOTE
:
When not using drive plate location guide, insert stud bolt of torque
converter into the hole of drive plate, aligning the drive plate hole
position and torque converter.
CAUTION
:
Note that the stud bolt strikes the drive plate hole position is
not aligned the torque converter stud bolt.

• Align the position of tightening nuts (
) for drive plate with those
of the torque converter, and temporarily tighten the nuts. Then,
tighten the bolts with the specified torque.
:51 N·m (5.2 kg-m,38 ft-lb)
CAUTION:
• When turning crankshaft, turn it clockwise as viewed from the
front of the engine.
• When tightening the tightening nuts for the torque converter after fixing the crankshaft pulley bolts, confirm the tightening torque of the crankshaft pulley mounting bolts. Refer to .
• After converter is installed to drive plate, rotate crankshaft several turns and check that transaxle rotates freely without binding.

Inspection and Adjustment
INSPECTION BEFORE INSTALLATION
After inserting a torque converter to the CVT, check dimension (A) with in the reference value limit.
B : Scale
C : Straightedge
Dimension (A) : Refer to TM-308, "Torque Converter".

INSPECTION AFTER INSTALLATION
Check the following.
• Check for CVT fluid leakage and check CVT fluid level. Refer to TM-184, "Inspection".
• Check CVT position. Refer to TM-194, "Inspection and Adjustment".
• Start and warm up the engine. Visually check that there is no leakage of engine coolant and CVT fluid.
ADJUSTMENT AFTER INSTALLATION
When replacing the transaxle assembly, • Erase CVT fluid degradation level data. Refer to TM-159, "CONSULT-III Function (TRANSMISSION)".
• Erase EEP ROM in TCM. Refer to TM-180, "Description".
Fluid cooler system
Exploded View
1. Copper washer
2. CVT fluid cooler tube
3. Hose clamp
4. Fluid cooler hose A
5. Fluid cooler tube
6. Fluid cooler hose B
7. Fluid cooler hose C
8. Transaxle assembly
9 ...
Unit disassembly and assembly
Torque converter and converter housing oil seal
Exploded View
1. Transaxle assembly
2. Converter housing oil seal
3. Torque converter
: Always replace after every
disassembly.
: Apply CVT ...
Other materials:
Precaution Necessary for Steering Wheel Rotation after Battery Disconnect
NOTE:
• Before removing and installing any control units, first turn the ignition
switch to the LOCK position, then disconnect
both battery cables.
• After finishing work, confirm that all control unit connectors are connected
properly, then re-connect both
battery cables.
• Always use CONS ...
Foreword
Welcome to the growing family of new NISSAN owners. This vehicle is delivered
to you with confidence. It was produced using the latest techniques and strict quality
control.
This manual was prepared to help you understand the operation and maintenance
of your vehicle so that you may enjoy man ...
Seats, seat belts and Supplemental Restraint System (SRS)
1. Rear head restraints
2. Child restraint anchor points (for top tether strap child restraint)
3. Front head restraints
— Front-seat Active Head Restraints
4. Roof-mounted curtain side-impact supplemental air bags
5. Seat belts
6. Front seats
7. Supplemental front-impact air bags
...
