Nissan Juke Service and Repair Manual : System description
COMPONENT PARTS
Circuit Breaker
The PTC thermistor generates heat in response to current flow. The temperature (and resistance) of the thermistor element varies with current flow. Excessive current flow will cause the element's temperature to rise. When the temperature reaches a specified level, the electrical resistance will rise sharply to control the circuit current.
Reduced current flow will cause the element to cool. Resistance falls accordingly and normal circuit current flow is allowed to resume.

Battery

HR*: Because of the frequent battery charge/discharge performed according to a driving condition and a battery condition, this model uses a charge/discharge capacity-enhanced battery. Therefore, it is recommended to use a genuine battery when replacement is needed.
Harness Connector
HARNESS CONNECTOR (TAB-LOCKING TYPE)
• The tab-locking type connectors help prevent accidental looseness or disconnection.
• The tab-locking type connectors are disconnected by pushing or lifting the locking tab(s). Refer to the figure below.
CAUTION:
Never pull the harness or wires when disconnecting the connector.
[Example]

HARNESS CONNECTOR (SLIDE-LOCKING TYPE)
• A new style slide-locking type connector is used on certain systems and components, especially those related to OBD.
• The slide-locking type connectors help prevent incomplete locking and accidental looseness or disconnection.
• The slide-locking type connectors are disconnected by pushing or pulling the slider. Refer to the figure below.
CAUTION:
• Never pull the harness or wires when disconnecting the connector.
• Be careful not to damage the connector support bracket when disconnecting the connector.
[Example]

HARNESS CONNECTOR (LEVER LOCKING TYPE)
• Lever locking type harness connectors are used on certain control units and control modules such as ECM, ABS actuator and electric unit (control unit), etc.
• Lever locking type harness connectors are also used on super multiple junction (SMJ) connectors.
• Always confirm the lever is fully locked in place by moving the lever as far as it will go to ensure full connection.
CAUTION
:
Always confirm the lever is fully released (loosened) before attempting to
disconnect or connect these
connectors to avoid damage to the connector housing or terminals.

1. Control unit with single lever
A. Fasten
B. Loosen
C. Lever
2. Control unit with dual levers
A. Levers
B. Fasten
C. Loosen
3. SMJ connector
A. Lever
B. Fasten
C. Loosen
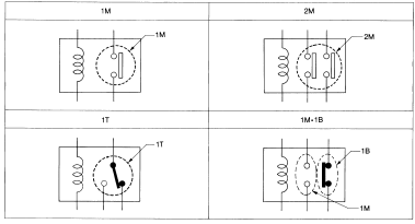
Standardized Relay
NORMAL OPEN, NORMAL CLOSED AND MIXED TYPE RELAYS
Relays can mainly be divided into three types: normal open, normal closed and mixed type relays.

TYPE OF STANDARDIZED RELAYS
1M ···················· 1 Make 2M ···················· 2 Make
1T ···················· 1 Transfer 1M·1B ···················· 1 Make 1 Break


Precaution
Precaution for Supplemental Restraint System (SRS) "AIR BAG" and "SEAT
BELT
PRE-TENSIONER"
The Supplemental Restraint System such as “AIR BAG” and “SEAT BELT
PRE-TENSIONER”, ...
Wiring diagram
...
Other materials:
Precaution Necessary for Steering Wheel Rotation after Battery Disconnect
NOTE:
• Before removing and installing any control units, first turn the ignition
switch to the LOCK position, then disconnect
both battery cables.
• After finishing work, confirm that all control unit connectors are connected
properly, then re-connect both
battery cables.
• Always use CONS ...
U1000 can comm circuit
Description
CAN (Controller Area Network) is a serial communication line for real time
applications. It is an on-vehicle multiplex
communication line with high data communication speed and excellent error
detection ability. Modern
vehicle is equipped with many electronic control unit, and eac ...
Clock (if so equipped)
The digital clock (in the audio unit) displays time when the ignition switch
is in the ACC or ON position. The clock ON or OFF mode can be selected. For details
of the digital clock in the NAVIGATION SYSTEM, refer to “Clock” .
If the power supply is disconnected, the clock will not indicate the ...
