Nissan Juke Service and Repair Manual : Starting system (with intelligent key)
CVT : Wiring Diagram
For connector terminal arrangements, harness layouts, and alphabets in a
(option abbreviation; if not
described in wiring diagram), refer to GI-12, "Connector Information/Explanation
of Option Abbreviation".

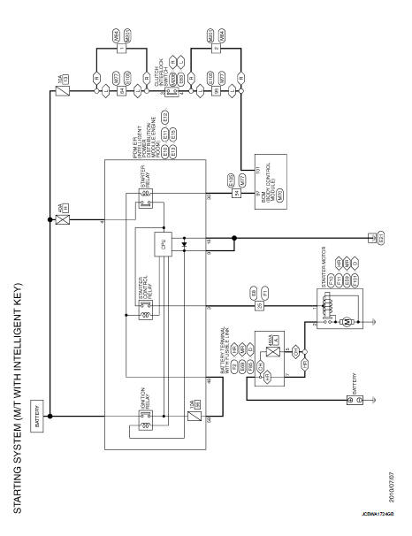
M/T : Wiring Diagram
For connector terminal arrangements, harness layouts, and alphabets in a
(option abbreviation; if not
described in wiring diagram), refer to GI-12, "Connector Information/Explanation
of Option Abbreviation".

Wiring diagram
...
Starting system (without intelligent key)
CVT : Wiring Diagram
For connector terminal arrangements, harness layouts, and alphabets in a
(option abbreviation; if not
described in wiring diagram), refer to GI-12, "Connector Information/ ...
Other materials:
Fuel level sensor unit, fuel filter
and fuel pump assembly
2WD : Exploded View
1. Fuel tank
2. Lock ring
3.
Fuel level sensor unit, fuel filter and
fuel pump assembly
4. Rock ring
Vehicle front
: N?·m (kg-m, ft-lb)
: Always replace after every
disassembly.
2WD : Removal and Installation
WARNING:
Read ???General Precautions??? when workin ...
Service Notice or Precautions for Manual Transaxle
CAUTION:
• Never reuse CSC (Concentric Slave Cylinder). Because CSC slides back to the
original position
every time when removing transaxle assembly. At this timing, dust on the sliding
parts may damage
a seal of CSC and may cause clutch fluid leakage. Refer to CL-27, "Removal and
Inst ...
Combination switch input circuit
Diagnosis Procedure
1.CHECK INPUT 1 - 5 CIRCUIT FOR OPEN
1. Turn ignition switch OFF.
2. Disconnect BCM and combination switch connectors.
3. Check continuity between BCM harness connector and combination switch harness
connector.
Does continuity exist?
YES >> GO TO 2.
NO >> ...
