Nissan Juke Service and Repair Manual : Removal and installation
IPDM E/R
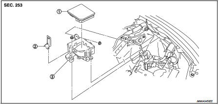
Exploded View

1. IPDM E/R cover A
2. IPDM E/R
3. IPDM E/R cover B
Removal and Installation
CAUTION:
IPDM E/R integrated relays are not serviceable parts, and must not be removed
from the unit.
REMOVAL
1. Remove battery.
2. Press and expand pawls (A) on lateral side of IPDM E/R cover and remove IPDM E/R (1) from IPDM E/R cover B (2).
3. Disconnect the harness connector and then remove the IPDM E/R.

4. Remove IPDM E/R cover B mounting nuts (A).

5. Insert a flat-bladed screwdriver between IPDM E/R cover A (1) and IPDM E/R cover B (2), disengage pawls, and remove IPDM E/R cover A.

6. Remove IPDM E/R cover B.
INSTALLATION
Install in the reverse order of removal.
Power supply and ground circuit
Diagnosis Procedure
1.CHECK FUSES AND FUSIBLE LINK
Check that the following IPDM E/R fuses or fusible links are not blown.
Is the fuse fusing?
YES >> Replace the blown fuse or fusible link ...
Other materials:
Vehicle jerks during
Description
The vehicle jerks when ESP function, TCS function, ABS function, EBD function
or brake limited slip differential
(BLSD) function operates.
Diagnosis Procedure
1.CHECK SYMPTOM
Check that the vehicle jerks when ESP function, TCS function, ABS function,
EBD function or brake limite ...
B210F shift position/clutch interlock switch
DTC Logic
DTC DETECTION LOGIC
NOTE:
If DTC B210F is displayed with DTC U1000, first perform the trouble diagnosis
for DTC U1000. Refer to PCS-
30, "DTC Logic".
DTC CONFIRMATION PROCEDURE
1.PERFORM DTC CONFIRMATION PROCEDURE
1. Shift selector lever to the P position.
2. Turn ign ...
Additional service when removing battery negative terminal
Description
• The NAVI control unit is equipped with the anti-theft system.
• The NAVI control unit operates after authenticating a fixed four-digit
anti-theft code.
• After removing the battery of the NAVI control unit, the authentication of the
anti-theft code is required.
Work Procedure
...

