Nissan Juke Service and Repair Manual : Clutch pedal
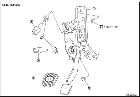
LHD : Exploded View

1. Clutch pedal
2. Stopper rubber
3. Clip
4. Clutch interlock switch *1
5. Clutch pedal position switch *2
6. Pedal pad
7. Pedal stopper rubber
*1 : With push-button ignition switch system *2 : With ASCD or with push-button ignition switch system
: N·m (kg-m, ft-lb)
LHD : Removal and Installation
REMOVAL
1. Remove instrument lower panel LH. (MR16DDT) Refer to IP-13, "Removal and Installation".
2. Disconnect clutch pedal position switch connector. (With ASCD or with
push-button ignition switch system)
3. Disconnect clutch interlock switch connector. (With push-button ignition
switch system)
4. Disconnect clip of harness from clutch pedal. (With ASCD or with push-button
ignition switch system)
5. Remove master cylinder rod end from clutch pedal.
6. Remove clutch pedal position switch and clip from clutch pedal.
(With ASCD or with push-button ignition switch system) 7. Remove clutch interlock switch and clip from clutch pedal. (With push-button ignition switch system) 8. Remove clutch pedal from the vehicle.
9. Remove pedal pad from clutch pedal.
10. Remove stopper rubber and pedal stopper rubber from clutch pedal, using a suitable remover.

INSTALLATION
Note the following, and install in the reverse order of removal.
CAUTION:
Press master cylinder rod end into clutch pedal until it stops.
LHD : Inspection and Adjustment
INSPECTION AFTER REMOVAL
• Check clutch pedal for bend, damage, or a cracked weld. If bend, damage, or a cracked weld is found, replace clutch pedal.
• Check stopper rubber and pedal stopper rubber. If damage or deformation is found, replace stopper rubber and pedal stopper rubber.
• Check pedal pad. If wear or damage is found, replace pedal pad.
INSPECTION AFTER INSTALLATION
• Check the clutch pedal height, clutch pedal height at clutch disengagement, and clutch pedal play. Refer to CL-7, "Inspection and Adjustment".
• Check the clutch interlock switch position. (With push-button ignition switch system) Refer to CL-7, "Inspection and Adjustment".
• Check the clutch pedal position switch position. (With ASCD or with push-button ignition switch system) Refer to CL-7, "Inspection and Adjustment".
ADJUSTMENT AFTER INSTALLATION
• Adjust the clutch interlock switch position. (With push-button ignition switch system) Refer to CL-7, "Inspection and Adjustment".
• Adjust the clutch pedal position switch position. (With ASCD or with push-button ignition switch system) Refer to CL-7, "Inspection and Adjustment".
RHD
RHD : Exploded View

1. Clutch pedal
2. Clutch interlock switch *1
3. Clip
4. Clutch pedal position switch *2
5. Pedal pad
6. Pedal stopper rubber
*1 : With push-button ignition switch system *2 : With ASCD or with push-button ignition switch system
: N·m (kg-m, ft-lb)
RHD : Removal and Installation
REMOVAL
1. Disconnect clutch pedal position switch connector. (With ASCD or with
push-button ignition switch system)
2. Disconnect clutch interlock switch connector. (With push-button ignition
switch system)
3. Disconnect clip of harness from clutch pedal. (With ASCD or with push-button
ignition switch system)
4. Remove master cylinder rod end from clutch pedal.
5. Remove clutch pedal position switch and clip from clutch pedal. (With ASCD or with push-button ignition switch system) 6. Remove clutch interlock switch and clip from clutch pedal. (With push-button ignition switch system) 7. Remove clutch pedal from the vehicle.
8. Remove pedal pad from clutch pedal.
9. Remove pedal stopper rubber from clutch pedal, using a suitable remover.

INSTALLATION
Note the following, and install in the reverse order of removal.
CAUTION
:
Press master cylinder rod end into clutch pedal until it stops.
RHD : Inspection and Adjus
INSPECTION AFTER REMOVAL
• Check clutch pedal for bend, damage, or a cracked weld. If bend, damage, or a cracked weld is found, replace clutch pedal.
• Check pedal stopper rubber. If damage or deformation is found, replace pedal stopper rubber.
• Check pedal pad. If wear or damage is found, replace pedal pad.
INSPECTION AFTER INSTALLATION
• Check the clutch pedal height, clutch pedal height at clutch disengagement, and clutch pedal play. Refer to CL-7, "Inspection and Adjustment".
• Check the clutch interlock switch position. (With push-button ignition switch system) Refer to CL-7, "Inspection and Adjustment".
• Check the clutch pedal position switch position. (With ASCD or with push-button ignition switch system) Refer to CL-7, "Inspection and Adjustment".
ADJUSTMENT AFTER INSTALLATION
• Adjust the clutch interlock switch position. (With push-button ignition switch system) Refer to CL-7, "Inspection and Adjustment".
• Adjust the clutch pedal position switch position. (With ASCD or with push-button ignition switch system) Refer to CL-7, "Inspection and Adjustment".
Clutch master cylinder
LHD : Exploded View
1. Reservoir hose
2. Reservoir tank
3. Master cylinder
LHD : Removal and Installation
REMOVAL
CAUTION:
• Keep painted surface on the body or other parts free of clutch f ...
Other materials:
Removal and installation
PUSH-BUTTON IGNITION SWITCH
Removal and Installation
REMOVAL
1. Remove the NATS antenna amp. Refer to SEC-167, "Removal and
Installation".
2. Remove the push-button ignition switch.
1. Disengage the push-button ignition switch fixing pawls
using minus driver etc.
2. Press the pu ...
Diagnosis system (BCM) (without intelligent key system)
Common item
COMMON ITEM : CONSULT-III Function (BCM - COMMON ITEM)
APPLICATION ITEM
CONSULT-III performs the following functions via CAN communication with BCM.
SYSTEM APPLICATION
BCM can perform the following functions for each system.
NOTE:
It can perform the diagnosis modes except the fo ...
Rear window and outside mirror defroster switch
Type A
Type B
To defog/defrost the rear window glass and outside mirrors (if so equipped),
start the engine and push the switch 1 on. The indicator light 2 will illuminate.
Push the switch again to turn the defroster off.
It will automatically turn off in approximately 15 minutes.
CAUTIO ...

