Nissan Juke Service and Repair Manual : Clutch pedal
Inspection and Adjustment
INSPECTION
The Height of Clutch Pedal 1. Turn the floor carpet.
2. Check that the clutch pedal height “H1” from the dash lower panel (1) is within the reference value.
Clutch pedal height “H1” : Refer to CL-35, "Clutch Pedal".
3. Replace clutch pedal if the height is outside the reference value.

Clutch Pedal Height When Disengaging The Clutch 1. Securely engage the parking brake.
2. Turn the floor carpet.
3. Start the engine and run at idle.
4. Fully depress clutch pedal and shift to the 1st gear.
CAUTION:
Securely depress the brake pedal with shifter lever in 1st gear.
5. Gradually release the clutch pedal and check that the clutch pedal height “H2” from the dash lower panel (1) is within the reference value with a scale immediately before the clutch is engaged.
Clutch pedal height at clutch disengagement “H2” : Refer to CL-35, "Clutch Pedal".
NOTE
:
Although the clutch pedal height differs according to whether the
clutch gets disengaged or engaged, clutch-engaged case is
regarded as clutch-disengaged case for easier inspection.
6. Replace clutch pedal if the height is outside the reference value.

Clutch Pedal Play
1. Push the pedal pad by hand until a resistance can be felt and
check that the play “A” on the upper surface of the pedal pad is
within the reference value.
Clutch pedal play “A” : Refer to CL-35, "Clutch Pedal".
2. Replace clutch pedal if the play is outside the reference value.

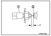
Position of Clutch Interlock Switch (With Push-Button Ignition Switch
System)
• LHD
- Check that the clearance “C” between the thread end of clutch
interlock switch (1) and stopper rubber (2) is within the specified
value while clutch pedal is fully depressed.
Clearance “C” : Refer to CL-35, "Clutch Pedal".

• RHD
- Check that the clearance “C” between the thread end of clutch
interlock switch (1) and clutch pedal (2) is within the specified
value while clutch pedal is fully depressed.
Clearance “C” : Refer to CL-35, "Clutch Pedal".

Position of Clutch Pedal Position Switch (With ASCD or With Push-Button Ignition Switch System) Check that the clearance “A” between the thread end of clutch pedal position switch (1) and clutch pedal (2) is within the specified value while clutch pedal is fully released.
Clearance “A” : Refer to CL-35, "Clutch Pedal".

ADJUSTMENT
Position of Clutch Interlock Switch (With Push-Button Ignition Switch System) 1. Disconnect the clutch interlock switch connector.
2. Loosen the clutch interlock switch 45 degrees counterclockwise.
3. With the clutch pedal fully depressed, press into the clutch interlock
switch (1) until it reaches the stopper rubber (2) and turn the
switch clockwise by 45 degrees to secure it. (For LHD)
CAUTION:
The clearance “C” show in the figure must be within the
specified value.
Clearance “C” : Refer to CL-35, "Clutch Pedal".
NOTE
:
Fully depressed clutch pedal means a clutch pedal condition
that the clutch pedal lever contacts the pedal stopper rubber.

4. With the clutch pedal fully depressed, press into the clutch interlock
switch (1) until it reaches the clutch pedal (2) and turn the
switch clockwise by 45 degrees to secure it. (For RHD)
CAUTION:
The clearance “C” show in the figure must be within the
specified value
.
Clearance “C” : Refer to CL-35, "Clutch Pedal".
NOTE
:
Fully depressed clutch pedal means a clutch pedal condition
that the clutch pedal lever contacts the pedal stopper rubber.

Position of Clutch Pedal Position Switch (With ASCD or With Push-Button
Ignition Switch System)
1. Disconnect the clutch pedal position switch connector.
2. Loosen the clutch pedal position switch 45 degrees counterclockwise.
3. Press-fit the clutch pedal position switch (1) until the clutch pedal position switch hits the clutch pedal (2) 45 degrees clockwise while pulling the pedal pad slightly.
CAUTION:
The clearance “A” show in the figure must be within the
specified value.
Clearance “A” : Refer to CL-35, "Clutch Pedal".

Clutch fluid
RS5F92R : Inspection
FLUID LEAKAGE
• Check clutch line for cracks, deterioration or other damage. Replace any
damaged parts.
• Check for fluid leakage by fully depressing clutch pedal while engin ...
Other materials:
Service information for electrical incident
Work Flow
WORK FLOW
Control Units and Electrical Parts
PRECAUTIONS
• Never reverse polarity of battery terminals.
• Install only parts specified for a vehicle.
• Before replacing the control unit, check the input and output and functions of
the component parts.
• Do not apply excessive ...
Insufficient cooling
Description
Symptom
• Insufficient cooling
• No cool air comes out. (Air flow volume is normal.)
Diagnosis Procedure
NOTE:
Perform self-diagnoses with CONSULT-III before performing symptom diagnosis. If
any DTC is detected, perform
the corresponding diagnosis.
1.CHECK MAGNET CLUTCH OPERA ...
Clutch master cylinder
LHD : Exploded View
1. Reservoir hose
2. Reservoir tank
3. Master cylinder
LHD : Removal and Installation
REMOVAL
CAUTION:
• Keep painted surface on the body or other parts free of clutch fluid. If it
spills, wipe up immediately
and wash the affected area with water.
• Never disassemb ...

