Nissan Juke Service and Repair Manual : Wiring diagram
Engine control system
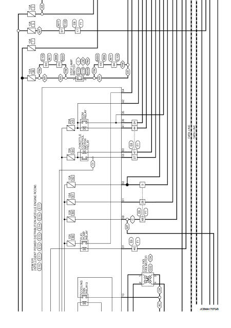
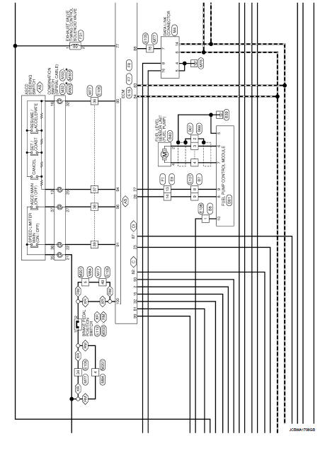
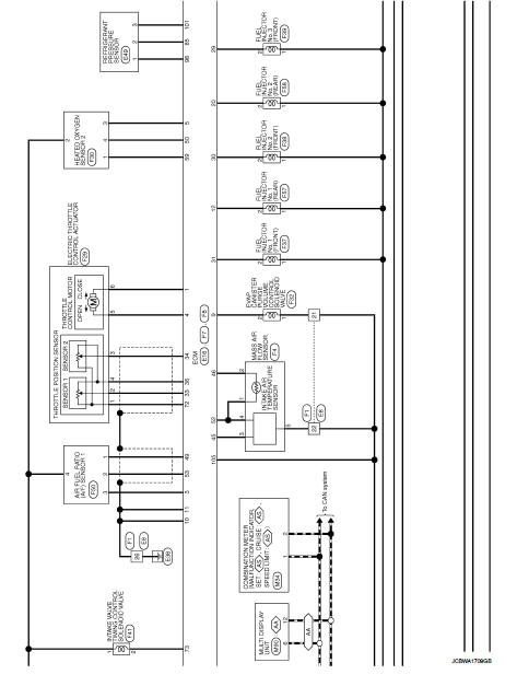
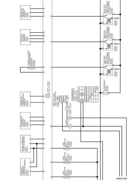
Wiring Diagram
For connector terminal arrangements, harness layouts, and alphabets in a
(option abbreviation; if not
described in wiring diagram), refer to GI-12, "Connector Information/Explanation
of Option Abbreviation".






ECU diagnosis information
ECM
Reference Value
VALUES ON THE DIAGNOSIS TOOL
Remarks:
• Specification data are reference values.
• Specification data are output/input values which are detected or supplied by
the ECM at th ...
Basic inspection
...
Other materials:
Periodic maintenance
Periodic Maintenance
The following tables show the normal maintenance schedule. Depending upon
weather and atmospheric conditions,
varying road surfaces, individual driving habits and vehicle usage, additional
or more frequent maintenance
may be required.
Periodic maintenance beyond the la ...
Camshaft valve clearance
Valve Clearance
CHECKING AND ADJUSTING THE VALVE CLEARANCE
1. Install the tappet.
2. Install the camshaft.
3. Install the camshaft brackets.
: 11 N·m (1.1 kg-m, 8 ft-lb)
4. Place the valves of the cylinder concerned at the “end of
exhaust - beginning of inlet” position and check the clearance ...
B2578, B2579 In-vehicle sensor
DTC Logic
DTC DETECTION LOGIC
NOTE:
• If DTC is displayed along with DTC U1000, first perform the trouble diagnosis
for DTC U1000. Refer to HAC-
141, "DTC Logic".
• If DTC is displayed along with DTC U1010, first perform the trouble diagnosis
for DTC U1010. Refer to HAC-
142, &qu ...
