Nissan Juke Service and Repair Manual : System
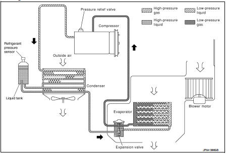
System Diagram

System Description
REFRIGERANT CYCLE
Refrigerant Flow
The refrigerant from the compressor, flows the condenser with liquid tank, the
evaporator, and returns to the
compressor. The refrigerant evaporation in the evaporator is controlled by an
expansion valve.
Freeze Protection
Automatic air conditioner • When intake sensor detects that evaporator surface temperature is 2°C (36°F) or less, A/C auto amp.
requests BCM to turn the compressor OFF.
• BCM requests ECM to turn the compressor to OFF by the signal from A/C auto amp., and ECM makes A/C relay to OFF, and stops the compressor.
Manual air conditioner
• When thermo control amp. detects that evaporator surface temperature becomes
2°C (36°F) or less, BCM
requests ECM to turn the compressor OFF, and stops the compressor.
REFRIGERANT SYSTEM PROTECTION
Refrigerant Pressure Sensor • The refrigerant system is protected against excessively high- or low-pressures by the refrigerant pressure sensor, installed at the condenser exit. The refrigerant pressure sensor detects the pressure inside the refrigerant line and sends the voltage signal to the ECM if the system pressure rises above, or falls below the specifications.
• ECM turns the A/C relay to OFF and stops the compressor when the high-pressure
side detected by refrigerant
pressure sensor is following conditions;
- Approximately 3,120 kPa (31.2 bar, 31.8 kg/cm2, 452 psi) or more (Engine speed
is less than 1,500 rpm.)
- Approximately 2,740 kPa (27.4 bar, 27.9 kg/cm2, 397 psi) or more (Engine speed
is 1,500 rpm or more.)
- Approximately 120 kPa (1.2 bar, 1.2 kg/cm2, 17 psi) or less
Pressure Relief Valve The refrigerant system is also protected by a pressure relief valve, located in the rear head of the compressor.
The release port on the pressure relief valve automatically opens and releases refrigerant into the atmosphere when the pressure of refrigerant in the system increases to an unusual level [more than 3,800 kPa (38 bar, 38.8 kg/cm2, 551 psi)].
Component parts
Component Parts Location
1. Expansion valve
2. Condenser
3. Compressor
4. Liquid tank
5. Refrigerant pressure sensor
6. Evaporator
A. Built-in heater & cooling unit assembly
Componen ...
Basic inspection
...
Other materials:
Precaution for Supplemental Restraint System (SRS) "AIR BAG" and "SEAT BELT
PRE-TENSIONER"
The Supplemental Restraint System such as “AIR BAG” and “SEAT BELT
PRE-TENSIONER”, used along
with a front seat belt, helps to reduce the risk or severity of injury to the
driver and front passenger for certain
types of collision. Information necessary to service the system safely is
include ...
Air conditioning system refrigerant and lubricant recommendations
The air conditioning system in your NISSAN vehicle must be charged with the
refrigerant HFC-134a (R-134a) and the oil, NISSAN A/C system oil Type R or the exact
equivalents.
CAUTION
The use of any other refrigerant or oil will cause severe damage to the air
conditioning system and will requi ...
Turbocharger (If Equipped)
The turbocharger turbine revolves at extremely high speeds and
becomes very hot. Therefore, it is essential to maintain a clean supply
of oil flowing through the turbocharger and to follow all required
maintenance instructions and operating procedures.
• Always use the recommended oil. Follow ...
