Nissan Juke Service and Repair Manual : HR16DE : Exploded View
REMOVAL

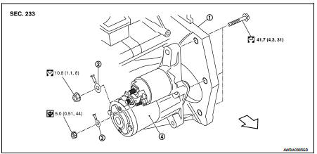
1. Cylinder block
2. “B” terminal harness
3. “S” terminal harness
4. Starter motor
: Vehicle front
: N·m (kg-m, in-lb)
: N·m (kg-m, ft-lb)
DISASSEMBLY
Type: M000T32172ZE

1. “M” terminal nut
2. Magnetic switch assembly
3. Adjusting plate
4. Metal FR
5. Gear case
6. Yoke
7. Armature
8. Brush holder assembly
9. Metal RR
10. Rear cover
11. Through bolt
12. Planetary gear
13. Gear shaft
14. Packing
15. Plate
16. Shift lever
17. Stopper ring
18. Stopper
19. Pinion assembly
20. Internal gear
21. Packing
: N·m (kg-m, in-lb)
: N·m (kg-m, ft-lb)
: High-temperature grease point
Removal and installation
STARTER MOTOR
HR16DE ...
HR16DE : Removal and Installation
REMOVAL
1. Disconnect the battery cable from the negative terminal. Refer to PG-124,
"Removal and Installation".
2. Remove radiator reservoir tank. Refer to CO-17, "Exploded View&qu ...
Other materials:
B1065, B1070 passenger air bag module
DTC Logic
DTC DETECTION LOGIC
DTC CONFIRMATION PROCEDURE
1.CHECK SELF-DIAG RESULT
With CONSULT-III
1. Turn ignition switch ON.
2. Perform “Self Diagnostic Result” mode of “AIR BAG” using CONSULT-III.
Without CONSULT-III
1. Turn ignition switch ON.
2. Check the air bag warning lamp statu ...
P2138 APP sensor
DTC Logic
DTC DETECTION LOGIC
NOTE:
If DTC P2138 is displayed with DTC P0643, first perform the trouble diagnosis
for DTC P0643. Refer to
EC-307, "DTC Logic".
DTC CONFIRMATION PROCEDURE
1.PRECONDITIONING
If DTC Confirmation Procedure has been previously conducted, always perform ...
Windshield wiper and washer switch
WARNING
In freezing temperatures the washer solution may freeze on the windshield
and obscure your vision which may lead to an accident. Warm windshield with the
defroster before you wash the windshield.
CAUTION
• Do not operate the washer continuously for more than 30 seconds.
• Do not oper ...
