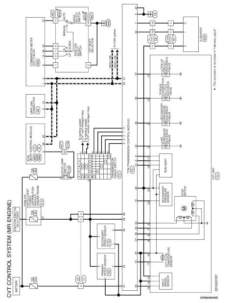
Nissan Juke Service and Repair Manual : CVT control system
Wiring diagram
For connector terminal arrangements, harness layouts, and alphabets in a
(option abbreviation; if
notdescribed
in wiring diagram), refer to GI-12, "Connector Information/Explanation of Option
Abbreviation".

Wiring diagram
...
CVT shift lock system
Wiring diagram
For connector terminal arrangements, harness layouts, and alphabets in a
(option abbreviation; if
notdescribed
in wiring diagram), refer to GI-12, "Connector Information/Expla ...
Other materials:
Power generation voltage variable control system operation
inspection
Inspection Procedure
CAUTION:
When performing this inspection, always use a charged battery that has completed
the battery inspection.
(When the charging rate of the battery is low, the response speed of the voltage
change will
become slow. This can cause an incorrect inspection.)
1.CHECK ...
System (intelligent key system)
Intelligent key system
INTELLIGENT KEY SYSTEM : System Diagram
INTELLIGENT KEY SYSTEM : System Description
• The Intelligent Key system is a system that makes it possible to lock and
unlock the door locks (door lock/
unlock function) by carrying the Intelligent Key, which operates based on t ...
Component parts
Component Parts Location
1. BCM
Refer to BCS-6, "BODY CONTROL
SYSTEM : Component Parts Location"
(With Intelligent Key system) or
BCS-96, "BODY CONTROL SYSTEM
: Component Parts Location"
(Without Intelligent Key system).
2. Rear window defogger connector
3. Rear windo ...
