Nissan Juke Service and Repair Manual : Wiring diagram
POWER DISTRIBUTION SYSTEM
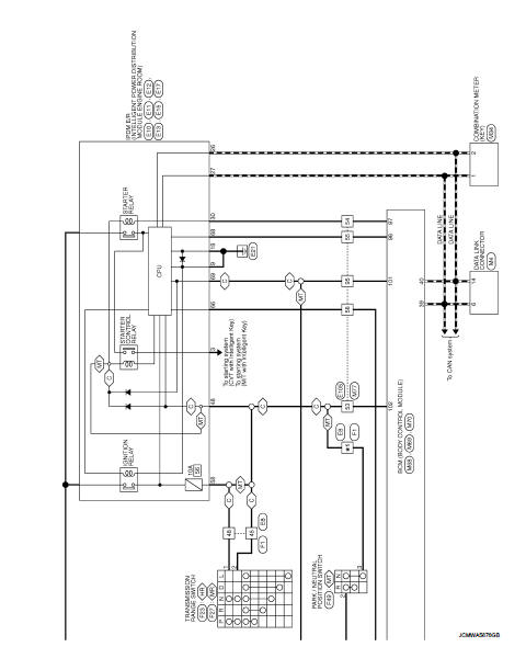
LHD
LHD : Wiring Diagram
For connector terminal arrangements, harness layouts, and alphabets in a
(option abbreviation; if not
described in wiring diagram), refer to GI-12, "Connector Information/Explanation
of Option Abbreviation".


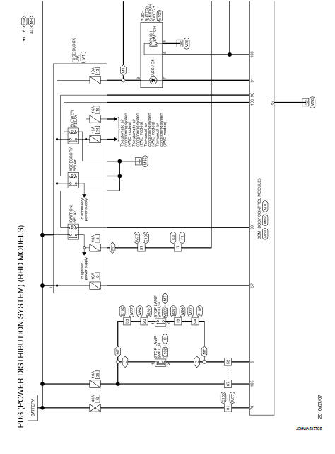
RHD
RHD : Wiring Diagram
For connector terminal arrangements, harness layouts, and alphabets in a
(option abbreviation; if not
described in wiring diagram), refer to GI-12, "Connector Information/Explanation
of Option Abbreviation".


ECU diagnosis information
BCM
List of ECU Reference
...
Basic inspection
DIAGNOSIS AND REPAIR WORK FLOW
Work Flow
OVERALL SEQUENCE
DETAILED FLOW
1.GET INFORMATION ABOUT SYMPTOM
Get detailed information from the customer about the symptom (the condition
and the env ...
Other materials:
Garage Jack and Safety Stand and 2-Pole Lift
WARNING:
• Park the vehicle on a level surface when using the jack. Check to avoid
damaging pipes, tubes, etc.
under the vehicle.
• Never get under the vehicle while it is supported only by the jack. Always use
safety stands when
you have to get under the vehicle.
• Place wheel chocks at ...
P1840 output speed signal
DTC Logic
DTC DETECTION LOGIC
DTC CONFIRMATION PROCEDURE
1.PRECONDITIONING
If “DTC CONFIRMATION PROCEDURE” has been previously conducted, always turn
ignition switch OFF and
wait at least 10 seconds before conducting the next test.
>> GO TO 2.
2.DTC REPRODUCTION PROCEDURE
With ...
Side air bag (satellite) sensor
Exploded View
1. Satellite sensor
: Vehicle front
: Do not reuse
: N·m (kg-m, ft-lb)
Removal and Installation
WARNING:
• Before servicing, turn ignition switch OFF, disconnect battery negative
terminal and wait 3 minutes
or more.
• Never use the air tools or electric tools for servicing ...
